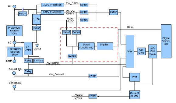
The GX2065 offers full-feature, 6.5 digit DMM capabilities in a compact, 3U PXI form factor. Additionally, the GX2065 includes a 16 bit, 3 MS/s digitizer which supports isolated, differential measurements for DC / AC coupled voltage and current measurements. Up to 8192 samples can be acquired by the digitizer. The figures below provide a block diagram of the GX2065’s isolated DMM measurement and protection circuitry.

DMM Block Diagram
The GX2065 offers full-feature, 6.5 digit DMM capabilities in a compact, 3U PXI form factor. Additionally, the GX2065 includes a 16 bit, 3 MS/s digitizer which supports isolated, differential measurements for DC / AC coupled voltage and current measurements. Up to 8192 samples can be acquired by the digitizer. The figure above and the figure below provide a block diagram of the GX2065’s isolated DMM measurement and protection circuitry.

AC and Current Measurement Circuitry
All DMM measurement circuitry is galvanically isolated from the PXI bus. Protection of all four user accessible measurement terminals (High, Low, Sense High and Sense Low) is provided per the IEC and UL standards for Class II measurement equipment.