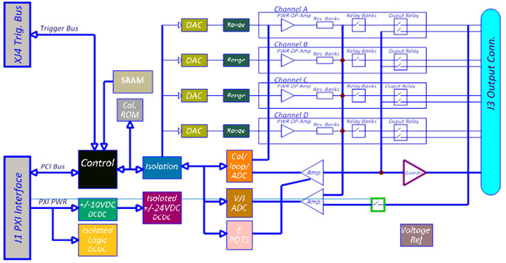
The figure below illustrates the GX3104’s architecture / block diagram. The board is programmed by software via the PXI bus interface which controls all source and measurement functions associated with the GX3104’s SMU functions. The 25-pin connector on the right (J3) provides the interface to the (4) source/measure channels, and access to the board’s internal reference voltage (for calibration purposes only).

GX3104 Block Diagram
Referring to the figure above, the GX3104 consists of four identical source / measure channels. Each channel employs a power opamp in conjunction with 7 current sense resistors which are connected to the output of each opamp, and provide 7 ranges of current source and current measurement functionality with the following ranges: +/- 1000 mA, +/- 250mA, +/- 25mA, +/- 2.5mA, +/-250uA, +/- 25 uA, , and +/- 2.5 uA FS. Each channel includes two, 18-bit DACs which are used to program the voltage and current values for each channel – operating as a voltage source and current limit or as a current source and compliance voltage source. The range for these are +/- 20 VDC and +/- 1000 mA respectively. Voltage and current measurement is provided by (2) 24 bit ADCs for each channel which have programmable resolution – allowing the user to trade off accuracy versus measurement time. Current measurement for each channel employs the 7 current sense resistors in conjunction with one of the ADCs. The output voltage for each channel is measured on the load side of the range resistors using the other ADC.
Each channel features a double pole, output relay which connects the SMU’s output and sense line to the output connector. The remote sense connection compensates for any I-R voltage drop from the output connector to the UUT. Each channel also as a guard connection, which is a buffered output for each channel, facilitating the measurement of very low currents.
The module derives all of its power from the PXI bus’ rails, using the _3.3V, 5V and 12 V supplies. A +/- -10 VDC converter provides power to the +/- -24 VDC converter which powers all of the analog circuitry as well as providing galvanic isolation between the PXI bus and four SMU channels. All digital control of the analog circuitry is done via opto couplers and serial links which maintains isolation of the four SMU channels. Note that the external input / output trigger connection located on the front panel is not isolated and is referenced to the PXI digital ground. All four SMU channels share a common, isolated ground.
The GX3104 features a flex-power architecture which provides the user with the flexibility to use the module as a 4-channel SMU with 250 mA of current capability per channel, or for higher current applications, channel 0 can be used to supply up to 1A of current. The module’s driver will limit total output current for all four channels to 1A.
The flex-power architecture provides a wide range of current output capabilities:
Two channels can be programmed for 500 mA each
Any combination of output currents can be supplied by the module provided the following output current limits are observed:
o Channel 0 can supply up to 1000 mA
o Channels 1 – 3 are limited to 500 mA of current each
o Maximum output current from the module cannot exceed 1 amp
Adequate cooling of the module is essential in order to ensure reliable operation. For high power applications, it is recommended that the module be used with a PXI chassis that supplies sufficient air flow / cooling for a PXI module that consumes 45 watts in a single slot. Recommended chassis for high power applications include Marvin Test Solutions’ GX7305 or GX7205, PXI and PXIe chassis respectively.
Each channel includes a thermal sensor which monitors each power opamp’s junction temperature. If an over temperature condition occurs on any of the channels, all output relays will disconnect and voltage / current values will be programmed to zero. To reset the module, the user must call the reset function (GxSmuReset). To correct the thermal shutdown condition, the output current / power must be reduced or better cooling of the module is required.
Note: The thermal monitoring function is always enabled.