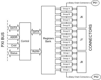
The architecture of the GX6062 consists of twelve switching groups, A through L. Each group has five coax channels and each provides switching to any of the other channels in the same group and to any other channel in any of the other groups in the card. Each switching group can be connected to an adjacent group. The first and last groups (Groups A and L) can be Daisy Chain to another card. To control the relays in the switching groups, there is a bank of read back registers.
The GX6062 architecture is shown in the figure below.

GX6062 Architecture
The GX6062 62 Relays are organized as follow:

GX6062 Group Relays
*Relays P61 and P62 are for Daisy connection.
Sh – Shield

A Typical GX6062 Channel Switching
For every channel there are two relays, one for the signal (Ch. X) and one for the shield (Ch. X Sh). Each time a channel is closed/opened the signal and the shield lines will be closed/ opened together. All relays are reed coaxial, Form A 50 Ohms impedance with magnetic screening.