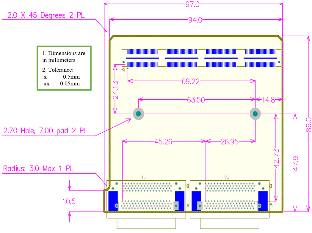
The locations of the mounting holes and connectors are critical to ensure a proper fit between the GX3700 and the expansion board. The figure below describes the mechanical details of a typical board and the locations of connectors and mounting holes. The figure presents a transparent view of the board from the top, with dimensions for critical component locations. The coordinates for the connectors are pointing to the component reference point. For P1 it is the middle between pads 1 and 2 of the footprint, as shown in the figure Component P1 Reference Point. For J1 and J2 it is the center of pad A1 of the footprint, as shown in the figure Components J1, J2 Reference Point.
Note: Dimensions are in mils unless noted otherwise.
.

Mechanical Details – Top View of Typical Board. Dimensions are in mils unless noted otherwise
Component P1 Reference Point

Components J1, J2 Reference Point
The figure below describes the recommended maximum dimensions for the expansion board and the recommended maximum component height. The maximum board area is about 110 Sq centimeters or about 17 sq inches.

Mechanical Details – Top view, Maximum Board Dimensions