GT95015 Differential Digital I/O Breakout Adapter Board Product Information

Knowledge Base Article # Q200135

Read Prior Article Read Next Article
Summary This article contains product information for the GT95015 Differential Breakout Adapter Board used with MTS Digital I/O instruments
1 comment  
Login to rate article
The GT95015 is a breakout adapter that can be used with all MTS Digital I/O products that provide differential I/O signals. For ease of access to the digital signals, the GT95015 breaks out the 68-pin SCSI-2 connector (J1) pins to a dual row connector with 100 mil spaced pins, designated J2 on the board. In addition, the GT95015 provides three methods of terminating all of the I/O signals in order to best match the requirements of the UUT and the DIO instrument.

GT95015 Differential Digital I/O Breakout Adapter Board Product Information


The basic connection between the GT95015 and the DIO instrument is accomplished using a SCSI-2 cable with 68-pin connectors on each end. The cable can be of any practical length as determined by the systems needs, however, consideration should be given to how signal or system timing might be affected as cable lengths are increased. The best approach would be to use the shortest cable practical (MTS part numbers for various length SCSI-2 cables are provided at the end of this document).
Cables connecting to the J2 100 mil pins may be individual wires, mass terminated connectors, or combinations thereof. Care should be taken to provide adequate ground returns for the signals used, again, giving consideration to how UUT loading, signal quality or system timing might be affected as cable lengths are increased.

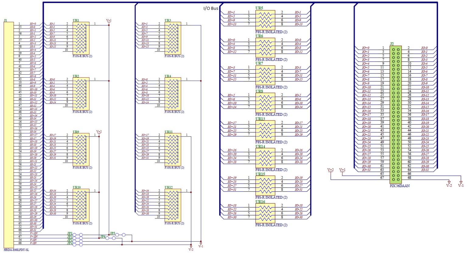
The GT95015 supports three basic termination configurations; unterminated, bus termination and isolated termination, using SIP resistor packs in the locations provided. Refer to Figure 1 and Figure 2. Locations UR1, UR2, UR3, UR4, UR9, UR10, UR11 and UR12 are used for bus termination, along with jumpers JP1 – JP6. Locations UR5, UR6, UR7, UR8, UR13, UR14, UR15 and UR16 are used for isolated termination.

GT95015 Differential Digital I/O Breakout Adapter Board Product Information

Figure 1: GT95015 Differential DIO Adapter


Isolated Termination
Isolated termination places a termination resistor across the differential signals using an eight pin single inline resistor package (SIP). The value of the SIP resistors is selected to match the characteristic impedance of the logic device and the cable and each SIP provides four resistors connected across four differential signals(see figure 2, UR5 – UR8 and UR13 – UR16). For example, if LVDS is being used, then the SIP’s should provide 100 ohm resistors. Care should be taken to orient the SIP’s so that pin 1 of the SIP is matched to pin 1 on the GT95015.
Bus Termination
Bus termination places a termination resistor from each of the differential signals to a reference termination voltage (see figure 2, UR1 – UR4 and UR9 – UR12), as determined by jumpers JP1 to JP6. The SIP’s used in the bus termination scheme are ten pin devices and provide nine resistors (one is unused) connected to a reference termination voltage. Care should be taken to orient the SIP’s correctly so that pin 1 of the SIP is matched to pin 1 on the GT95015.
The termination voltage is selected using jumpers JP1 to JP6 and can be configured to provide a single reference voltage for all signals, or split into two sixteen pin groups each with their own single or dual voltage references. Termination voltages can be applied to Connector J1 pins 33, 34, 67 and 68 or to connector J2 pins 65, 66, 67 and 68. This allows either the DIO instrument or the UUT to provide the termination voltage to the GT95015. However, caution should be exercised that termination voltages are not applied to both J1 and J2 pins simultaneously – especially if the voltages are of different levels or polarities, as damage may result to the GT95105, the DIO instrument, the UUT or all three.
Care should also be taken that if V+1 and V-1 are used, that JP5 is removed if they are different values or different polarities. Similar care should be taken that if V+2 and V-2 are used, that JP6 is removed if they are different values or different polarities

GT95015 Differential Digital I/O Breakout Adapter Board Product Information

Figure 2: GT95015 Schematic

Click Here to View Large Schematic
Click Here to View Mechanical Drawing

MTS SCSI-2 Cable Part Numbers.
GT95021     2' shielded cable for GT5xxx/GX5xxx/GC5xxx (68pin SCSI-2 connectors on both ends)
GT95022     3' shielded cable for GT5xxx/GX5xxx/GC5xxx (68pin SCSI-2 connectors on both ends)
GT95028     10' shielded cable for GT5xxx/GX5xxx/GC5xxx (68pin SCSI-2 connectors on both ends)
GT95031     6' shielded cable for GT5xxx/GX5xxx/GC5xxx (68pin SCSI-2 connectors on both ends)
GT95032     6" shielded cable for GT5xxx/GX5xxx/GC5xxx (68pin SCSI-2 connectors on both ends)
GT95032-8 8" shielded cable for GT5xxx/GX5xxx/GC5xxx (68pin SCSI-2 connectors on both ends)
Article Date 4/27/2010 , 3/1/2025
Keywords GT95015, GX5280, GX5281, GX5282, GX5283, GX5292, GX5055, GX5050, GX5150, GX5151, GX5152, Digital, DIO, GC5050

Sebastian Wietz 12/7/2021 5:29:59 AM
Can you provide a drawing of the mechanical dimensions of the board with overall dimensions, connector positions, mounting hole positions? That would help in designing a box fitting around the board. - Thank you.
0 | 0

Login to rate article

5 ratings | 4.4 out of 5
Read Prior Article Read Next Article